АРТИКУЛ: 0010964
Активный Электронный Гудок СМД9650-3В, размер 9,6х9,6х5мм
Нет в наличии
Цена по запросу
Цена с учетом НДС
Быстрая доставка
Описание
| Нет. | Товар | Блок | Параметры | Состояние |
1 | Частота колебаний | КГц | 2,7 +/-0,3 |
|
2 | Операционной Напряжение | Постоянный ток | 4 до 7 лет |
|
3 | Номинальная Напряжение | Постоянный ток | 5 |
|
4 | Потребляемый ток | MA | Макс. 30 | При номинальном Напряжение |
5 | Звук Давление уровня | DB | Мин. 80 | При 10 см при номинальном напряжении |
6 | Тона природы |
| Одиночный |
|
7 | Операционной Температура | ° | -20 ~ + 70 |
|
8 | Для хранения Температура | ° | -30 ~ + 85 |
|
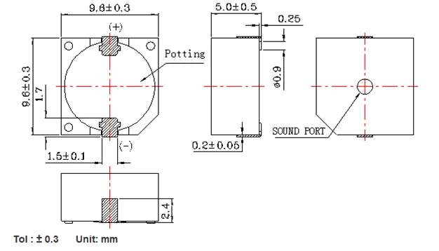
9 | Измерение | Мм | 9,6x9,6 x H5.0 | Посмотрите на внешний вид рисунка |
10 | Вес (макс) | "Грамм | 1,5 |
|
11 | Материал корпуса |
| PPS (черный) |
|
12 | Ведущий Pin-код |
| Латунь с покрытием (Au) | Посмотрите на внешний вид рисунка |
13 | На окружающую среду |
| По ограничению на использование опасных материалов в производстве |
|
C. Чертеж внешнего вида

